The First PCB
I dabble in hardware projects in my free time. Most of the time I build them on breadboards, but some of them make it to tediously assembled protoboards. I finally decided given the alarmingly low prices of getting custom PCBs manufactured it was time to learn PCB CAD.
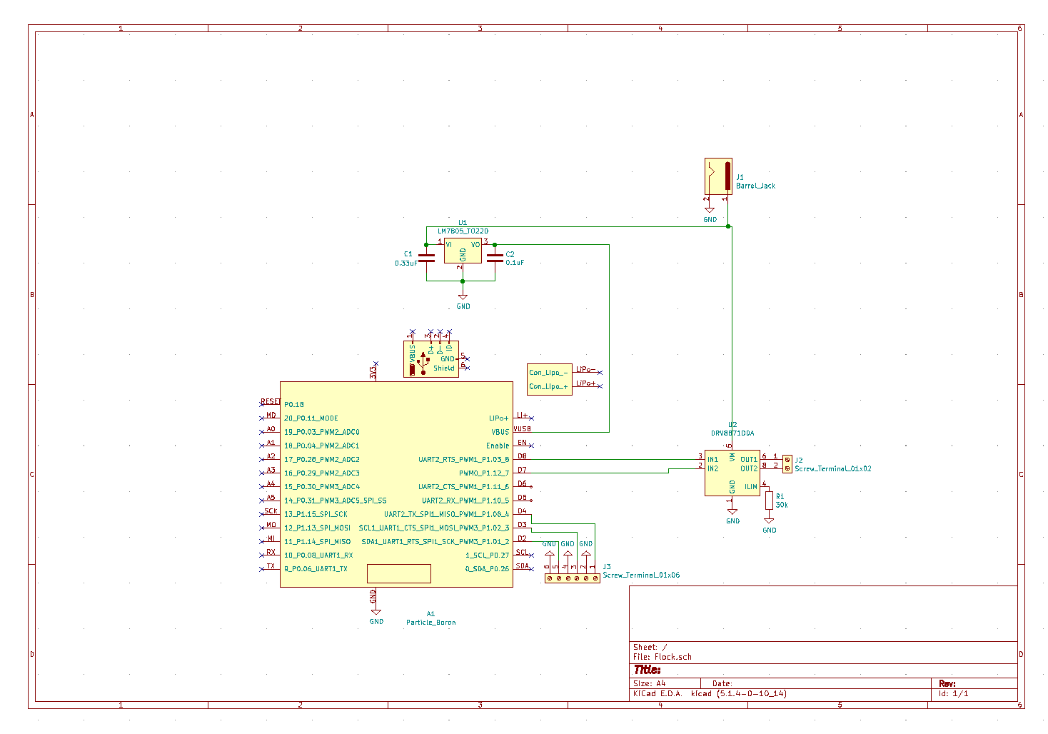
The project I started with enables DC motor control over Wifi/Bluetooth and runs off 12V DC power from a wall adapter
Actual parts include a footprint for a Particle Argon microcontroller (deals with all the more complicated microcontroller, Wifi, Bluetooth stuff), some terminal screws for pinout, a DC jack, 5V regulator and a DC motor driver.
The software used was KiCAD.
On a protoboard the assembly likely would've taken me ~1 hour to assemble and been massive and gross, but look how beautiful this is...
(Botched the soldering on the capacitors a bit, using reflow for the next PCB effort)

No more protoboards going forward.
